您好,欢迎访问江苏堃阳自动化设备有限公司官网!

非标自动化
您当前的位置 : 首 页 > 新闻中心 > 通知公告

联系我们Contact Us

江苏堃阳自动化设备有限公司

公司名称:江苏堃阳自动化设备有限公司

电 话:18015182987

传 真:0517-80328000

邮 箱:jskunyang@163.com

网 址:www.kunyangzdh.cn

地 址:金湖县金南镇工业集中区金卞路

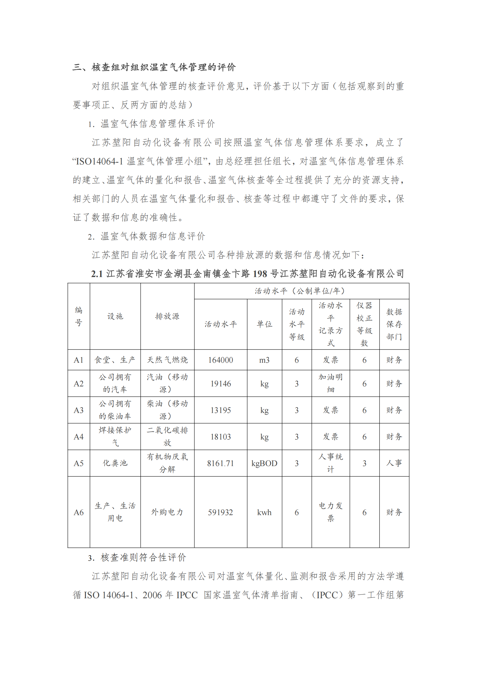
江苏堃阳自动化设备有限公司-温室气体核查报告

2025-08-22 09:01:32

1755824322438181.png

1755824343600627.png

1755824362162148.png

1755824381194274.png

1755824401221285.png

1755824418159312.png

1755824435550232.png

1755824463151512.png

1755824480265518.png

标签

最近浏览:

相关产品

相关新闻